Diseño final

De entre las dos alternativas estudiades, elegiremos la de mayor eficiencia. Una vez elegido este caso, ya se conocen todas las condiciones para llevar a cabo el diseño del proceso, o la modificación si el proceso ya existía.

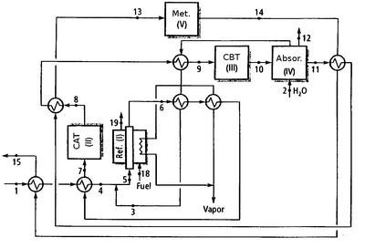
Figura: Diseño final, incluyendo la estructura de la red de intercambiadores
Image figexl8

En nuestro caso, el diseño exacto se muestra en la figura [*]. Se ha llevado a cabo el diseño de la red de intercambiadores de calor mediante el método pinch. Según Sorin y Paris [15], un incremento del $ 2\%$ en la producción de hidrógeno (a pesar de la disminución del vapor producido) supone una solución económicamente óptima, que compensa los posibles cambios que tengan que llevarse a cabo en el diseño actual.



2004-05-30