Análisis $ UA$

El diseño propuesto tiene las mismas unidades que el caso base, excepto por un nuevo intercambiador (el denominado $ N1$ en la figura [*]). Sin embargo, esto no implica que las unidades del diseño propuesto y del caso base sean iguales. Para averiguar cuál es el tamaño real de cada cambiador realizaremos un análisis $ UA$, que no es más que un análisis del área de la red, pero sin conocer los coeficientes de película. El parámetro $ UA$ ayuda a estimar cuál será el área $ A $ del cambiador.


Tabla: Comparación de las dimensiones de los cambiadores (valores de $ UA$ en MW ^oC$ ^{-1}$).
$ <SPAN CLASS=''MATH''>$ Unidad$</SPAN> $ $ <SPAN CLASS=''MATH''>$ Diseño original$</SPAN>\ $ $ <SPAN CLASS=''MATH''>$ Nuevo horno$</SPAN>\ $ $ <SPAN CLASS=''MATH''>$ Diseño pinch$</SPAN>\ $ $ <SPAN CLASS=''MATH''>$ Alternativa 1$</SPAN>\ $ $ <SPAN CLASS=''MATH''>$ Alternativa 2$</SPAN>\ $
$ N1$ $ -$ $ -$ $ 0.393 $ $ 0.332 $ $ 0.332 $
$ N2 $ $ -$ $ -$ $ -$ $ -$ $ 0.210$
$ 3$ $ 0.288$ $ 0.288$ $ 0.714 $ $ 0.337 $ $ 0.337 $
$ 4$ $ 0.159$ $ 0.159$ $ 0.549 $ $ 0.412 $ $ 0.476 $
$ 5$ $ 0.152$ $ 0.152$ $ 0.286 $ $ 0.147 $ $ -$
$ 6$ $ 0.462$ $ 0.462$ $ 0.462$ $ 0.462$ $ 0.506 $
$ 7$ $ 0.196 $ $ 0.196 $ $ 0.293 $ $ 0.198 $ $ 0.193 $
$ 8 $ $ 0.132$ $ 0.132$ $ 0.454 $ $ 0.241 $ $ 0.234 $
$ 9$ $ 0.022$ $ 0.022$ $ 0.022$ $ 0.022$ $ 0.022$
$ 10$ $ 0.111$ $ 0.111$ $ 0.180 $ $ 0.111$ $ 0.111$
$ <SPAN CLASS=''MATH''>$ Aero$</SPAN> $ $ 0.392$ $ 0.550 $ $ 0.550 $ $ 0.550 $ $ 0.392$
$ \sum UA $ $ 1.914$ $ 2.072 $ $ 3.903 $ $ 2.812 $ $ 2.813 $


Este parámetro se calcula a partir de la ecuación básica de diseño de un intercambiador

$\displaystyle UA = \frac{Q}{\Delta T_{\text{LM}}}$ (5.1)

En la tabla [*] se muestran los valores para el caso de introducir un nuevo horno, para el diseño pinch sin optimizar, y para dos alternativas que se van a proponer. En el caso de introducir un nuevo horno, el único cambio en la red de intercambiadores está en el aerorrefrigerante (que enfría la corriente 6, y está representado por un cambiador auxiliar en la corriente $ 6$ del diagrama de trama)5.3, cuyo valor de $ UA$ pasaría de $ 0.392$ MW ^oC$ ^{-1}$ a $ 0.550 $ MW ^oC$ ^{-1}$.

Podemos observar como el diseño pinch supone una importante penalización en el área total de la red, además sólo dos intercambiadores (el $ 6$ y el $ 9$) no necesitarían ser modificados. Para intentar disminuir el tamaño de estos intercambiadores vamos a aumentar el valor de los consumos de calefacción hasta $ 68$ MW (el consumo actual del proceso), lo que supondrá una disminución del área de la red de intercambiadores. Al relajar el problema hasta su punto extremo (el consumo actual del proceso) no logramos un menor consumo energético, pero sí un mejor aprovechamiento de los aportes caloríficos actuales al proceso.

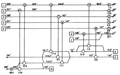
Con esta estrategia, el diseño obtenido es el de la figura [*]. Como vemos en la tabla [*], este diseño muestra mayor compatibilidad con el diseño original; sólo sería necesario introducir un nuevo cambiador, y modificar los cambiadores $ 4$ y $ 8 $. Por razones prácticas, se ha dividido la unidad $ 4$ en dos unidades. La nueva división de la unidad $ 4$ se ha colocado en una de las ramas de la corriente $ 9$. Además, con este diseño se ha disminuido el área total necesaria, respecto al diseño pinch.

Figura: Primera alternativa de optimización de la red de intercambiadores.
Image crude9

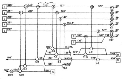
Los dos inconvenientes principales de esta alternativa son dos: primero, el aerorrefrigerante tiene que ser cambiado por otro de mayores dimensiones, que puede resultar bastante caro; segundo, la corriente $ 9$ requiere cuatro divisiones. El problema del aerorrefrigerante se podría evitar aumentando los cambiadores $ 4$ y $ 6$, lo que supondría un incremento en los cambiadores de servicios auxiliares restantes, y por tanto una disminución de las dimensiones del aerorrefrigerante. En cuanto al número de divisiones de la corriente $ 9$, el resultado de eliminar una de las divisiones se muestra en la figura [*]. Se ha eliminado la rama del cambiador $ 5$, puesto que era el cambiador de menores dimensiones, y su eliminación supondrá un menor impacto en el resto de cambiadores. Además, el cambiador $ 5$ puede ser empleado en la práctica como el cambiador $ N1$, con mínimos cambios en las tuberías del proceso.

Figura: Resultado de eliminar una de las divisiones de la corriente $ 9$.
Image crude10

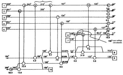
Sin embargo, el diseño propuesto en la figura [*] requiere algunas modificaciones sobre el caso base. Por ejemplo, sería necesario modificar los intercambiadores $ 7$ y $ 10$. Para evitar tener que realizar estas modificaciones es necesario encontrar una fuente de calor adicional para la corriente $ 9$. Debido a los valores de las temperaturas, la única corriente que podría aportar esta energía es la $ 6$. Como vemos en la figura [*], al introducir un nuevo intercambiador, $ N2 $, entre las corrientes $ 6$ y $ 9$, las unidades $ 7$ y $ 10$ no necesitan modificación. Además, tampoco es necesario modificar el aerorrefrigerante. Sin embargo, la unidad $ 6$ tiene que ser aumentada (debido a que disminuye el valor de la diferencia media logarítmica de temperaturas). Para solucionar el incremento de tamaño de la unidad $ 6$, vamos a implementar un reflujo circulante (pumparound en inglés). Es decir, la corriente caliente del cambiador $ N2 $ se toma directamente de la torre de destilación, y se devuelve de nuevo a la torre. La corriente $ 6$ no se modifica, y por tanto tampoco la unidad $ 6$. En el diagrama de trama se muestra el cambiador sobre la corriente $ 6$ porque la corriente del reflujo circulante es exactamente igual que la corriente $ 6$ (en cuanto a propiedades, temperatura y presión).

Figura: Segunda alternativa (y definitiva) de optimización de la red de intercambiadores
Image crude11

Como observamos en la tabla [*], esta alternativa requiere el mismo área total que la alternativa anterior, no modifica el aerorrefrigerante, pero introduce una nueva unidad. Además, la unidad $ N1$ aprovecha la carcasa de la unidad $ 5$ que se ha eliminado. A simple vista no es posible decir cuál es el mejor diseño. Para ello vamos a evaluar cada uno de los diseños, y a decidir cuál es el más económico.

2004-05-30